深圳海默科技有限公司-j9九游会登录
关键字:
| |
j9九游会登录
j9九游会登录
j9九游会登录的简介
j9九游会登录的简介
海默历程
经营理念
行动方针
品质政策
j9九游会登录的文化
公司地图
产品系列
sanken集成电路
sanken分离器件
thine
magnachip igbt
j9九游会登录的解决方案
马达驱动 j9九游会登录的解决方案
汽车专用 j9九游会登录的解决方案
开关电源 j9九游会登录的解决方案
其他应用 j9九游会登录的解决方案
新闻资讯
公司新闻
业内资讯
j9九游会登录的人才招聘
j9九游会登录的人才招聘
人才策略
联系j9九游会登录
联系j9九游会登录
客户留言
在线沟通
资料下载
sanken集成电路
sanken分立器件
thine
三菱
magnachip
nichicon
j9九游会登录的解决方案
马达驱动 j9九游会登录的解决方案
汽车专用 j9九游会登录的解决方案
开关电源 j9九游会登录的解决方案
代理品牌
j9九游会登录
j9九游会登录
j9九游会登录
j9九游会登录
j9九游会登录
j9九游会登录
j9九游会登录
-
j9九游会登录的解决方案
-
其他应用 j9九游会登录的解决方案
其他应用 j9九游会登录的解决方案
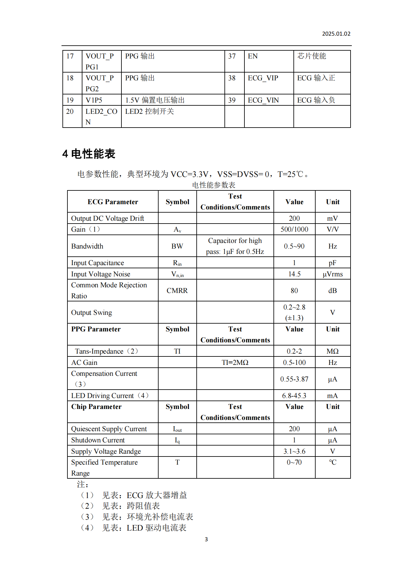
c、ecgppg2 芯片使用说明
j9九游会登录的版权所有 @ 海默科技有限公司 简称:深圳海默科技有限公司
备案号:粤icp备08027473号 电话:0755-86350105,传真:0755-86350106
共有 3474120人次访问
网站地图